| SFU03205-4 滚珠丝杆 | |
| 类 别 | TBI台湾滚珠丝杠 |
| 型 号 | SFU03205-4 |
| 类 型 | |
| 品 牌 | 台湾 |
| 邮 件 | 请 联 系 Email:hrbn@vip.qq.com |
| 电 话 | +86-25-52217447 86629760 13801591302 |

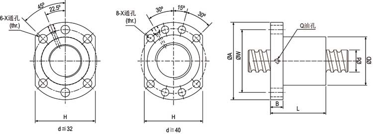
| 型 号 | 滾珠螺杆、螺帽之基准数据 | |||||||||||||||
| d | l | Da | D | A | B | L | W | X | H | Q | n | Ca | Coa | K | ||
| SFU01204-4 | 12 | 4 | 2.5 | 24 | 40 | 10 | 40 | 32 | 4.5 | 30 | 4 | 593 | 1129 | 12.5 | ||
| ★ | SFU01604-4 | 16 | 4 | 2.381 | 28 | 48 | 10 | 40 | 38 | 5.5 | 40 | M6 | 4 | 629 | 1270 | 35 |
| ★ | SFU01605-4 | 5 | 3.175 | 28 | 48 | 10 | 50 | 38 | 5.5 | 40 | M6 | 4 | 780 | 1790 | 20 | |
| ★ | SFU01610-3 | 10 | 3.175 | 28 | 48 | 10 | 57 | 38 | 5.5 | 40 | M6 | 3 | 721 | 1249 | 15 | |
| SFU02004-4 | 20 | 4 | 2.381 | 36 | 58 | 10 | 42 | 47 | 6.6 | 44 | M6 | 4 | 699 | 1617 | 41 | |
| ★ | SFU02005-4 | 5 | 3.175 | 36 | 58 | 10 | 51 | 47 | 6.6 | 44 | M6 | 4 | 1130 | 2380 | 25 | |
| SFU02504-4 | 25 | 4 | 2.381 | 40 | 62 | 10 | 42 | 51 | 6.6 | 48 | M6 | 4 | 777 | 2052 | 48 | |
| ★ | SFU02505-4 | 5 | 3.175 | 40 | 62 | 10 | 51 | 51 | 6.6 | 48 | M6 | 4 | 1280 | 3110 | 35 | |
| SFU02506-4 | 6 | 3.969 | 40 | 62 | 10 | 54 | 51 | 6.6 | 48 | M6 | 4 | 1528 | 3284 | 40 | ||
| SFU02508-4 | 8 | 4.762 | 40 | 62 | 10 | 63 | 51 | 6.6 | 48 | M6 | 4 | 1941 | 3863 | 38 | ||
| ★ | SFU02510-4 | 10 | 4.762 | 40 | 62 | 12 | 85 | 51 | 6.6 | 48 | M6 | 4 | 1944 | 3877 | 33 | |
| SFU03204-4 | 32 | 4 | 2.381 | 50 | 80 | 12 | 44 | 65 | 9 | 62 | M6 | 4 | 871 | 2661 | 56 | |
| ★ | SFU03205-4 | 5 | 3.175 | 50 | 80 | 12 | 52 | 65 | 9 | 62 | M6 | 4 | 1450 | 4150 | 40 | |
| SFU03206-4 | 6 | 3.969 | 50 | 80 | 12 | 57 | 65 | 9 | 62 | M6 | 4 | 1720 | 4298 | 47 | ||
| SFU03208-4 | 8 | 4.762 | 50 | 80 | 12 | 65 | 65 | 9 | 62 | M6 | 4 | 2189 | 5079 | 44 | ||
| ★ | SFU03210-4 | 10 | 6.35 | 50 | 80 | 12 | 90 | 65 | 9 | 62 | M6 | 4 | 3390 | 7170 | 79 | |
| ★ | SFU04005-4 | 40 | 5 | 3.175 | 63 | 93 | 14 | 55 | 78 | 9 | 70 | M8 | 4 | 1610 | 5330 | 49 |
| SFU04006-4 | 6 | 3.969 | 63 | 93 | 14 | 60 | 78 | 9 | 70 | M6 | 4 | 1911 | 5458 | 55 | ||
| SFU04008-4 | 8 | 4.762 | 63 | 93 | 14 | 67 | 78 | 9 | 70 | M6 | 4 | 2435 | 6469 | 52 | ||
| ★ | SFU04010-4 | 10 | 6.35 | 63 | 93 | 14 | 93 | 78 | 9 | 70 | M8 | 4 | 3910 | 9520 | 50 | |
| SFU05010-4 | 50 | 10 | 6.35 | 75 | 110 | 16 | 93 | 93 | 11 | 85 | M8 | 4 | 4450 | 12500 | 65 | |
| ★ | SFU05020-4 | 20 | 7.144 | 75 | 110 | 16 | 138 | 93 | 11 | 85 | M8 | 4 | 4644 | 14327 | 59.5 | |
| ★ | SFU06310-4 | 63 | 10 | 6.35 | 90 | 125 | 18 | 98 | 108 | 11 | 95 | M8 | 4 | 5070 | 16600 | 80 |
| SFU06320-4 | 20 | 9.525 | 95 | 135 | 20 | 149 | 115 | 13.5 | 100 | M8 | 4 | 7573 | 23860 | 84.1 | ||
| ★ | SFU08010-4 | 80 | 10 | 6.35 | 105 | 145 | 20 | 98 | 125 | 13.5 | 110 | M8 | 4 | 5620 | 21300 | 90 |
| SFU08020-4 | 20 | 9.525 | 125 | 165 | 25 | 154 | 145 | 13.5 | 130 | M8 | 4 | 8485 | 30895 | 84.1 | ||
| SFU10020-4 | 100 | 20 | 9.525 | 150 | 202 | 30 | 180 | 170 | 17.5 | 155 | M8 | 4 | 9420 | 39183 | 110.1 | |